Product list產品列表
Customer service在線客服
產品展示
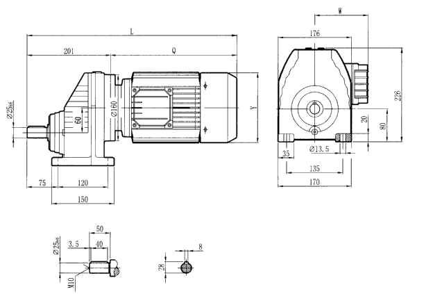
RCX67..型硬齒輪減速機安裝尺寸圖

|
|
YS63.. |
YS71.. |
YS80.. |
Y90.. |
Y100.. |
Y112M |
Y132S.. |
Y132M.. |
|
|
|
|
Y |
122 |
137 |
156 |
169 |
194 |
226 |
266 |
266 |
|
|
|
|
W |
95 |
108 |
118 |
128 |
145 |
190 |
210 |
210 |
|
|
|
|
L |
409 |
426 |
451 |
502 |
550 |
551 |
606 |
646 |
|
|
|
|
Q |
208 |
255 |
250 |
301 |
349 |
350 |
405 |
445 |
|
|
|
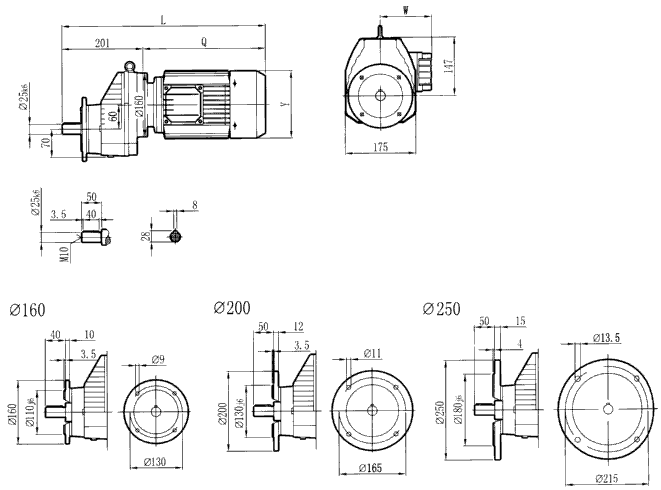
RCXF67..型硬齒輪減速機安裝尺寸圖

|
|
YS63.. |
YS71.. |
YS80.. |
Y90.. |
Y100.. |
Y112M |
Y132S.. |
Y132M.. |
|
|
|
|
Y |
122 |
137 |
156 |
169 |
194 |
226 |
266 |
266 |
|
|
|
|
W |
95 |
108 |
118 |
128 |
145 |
190 |
210 |
210 |
|
|
|
|
L |
409 |
426 |
451 |
502 |
550 |
551 |
606 |
646 |
|
|
|
|
Q |
208 |
225 |
250 |
301 |
349 |
350 |
405 |
445 |
|
|
|
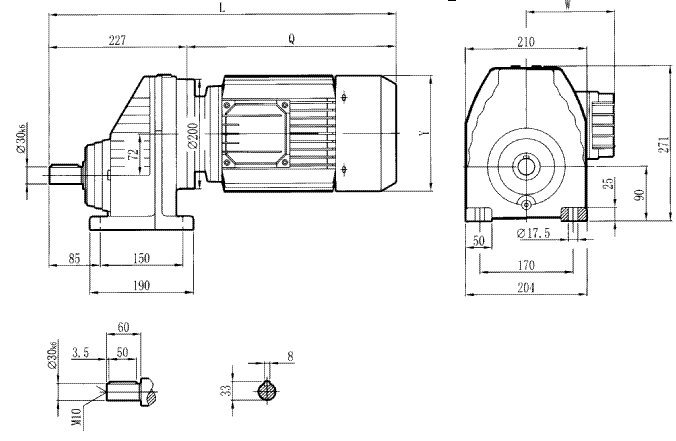
RCX77..型硬齒輪減速機安裝尺寸圖

|
YS63.. |
YS71.. |
YS80.. |
Y90.. |
Y100.. |
Y112M |
Y132S.. |
Y132M.. |
Y160M.. |
|
| |
|
Y |
122 |
137 |
156 |
169 |
194 |
226 |
266 |
266 |
320 |
|
|
|
W |
95 |
108 |
118 |
128 |
145 |
190 |
210 |
210 |
255 |
|
|
|
L |
433 |
450 |
478 |
526 |
573 |
577 |
632 |
672 |
727 |
|
|
|
Q |
206 |
223 |
251 |
299 |
346 |
350 |
405 |
445 |
500 |
|
|
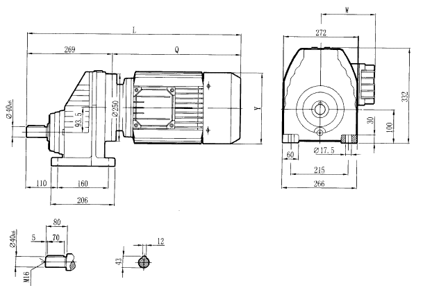
RCXF77..型硬齒輪減速機安裝尺寸圖

|
|
YS63.. |
YS71.. |
YS80.. |
Y90.. |
Y100.. |
Y112M |
Y132S.. |
Y132M.. |
Y160M.. |
|
|
|
Y |
122 |
137 |
156 |
169 |
194 |
226 |
266 |
266 |
266 |
|
|
|
W |
95 |
108 |
118 |
128 |
145 |
190 |
210 |
210 |
210 |
|
|
|
L |
433 |
450 |
478 |
526 |
573 |
577 |
632 |
672 |
727 |
|
|
|
Q |
206 |
223 |
251 |
299 |
346 |
350 |
405 |
445 |
500 |
|
|
RCX87..型硬齒輪減速機安裝尺寸圖

|
|
YS80.. |
Y90.. |
Y100.. |
Y112M.. |
Y132S.. |
Y132M.. |
Y160M.. |
Y160L.. |
Y180M.. |
Y180L.. |
|
|
Y |
156 |
169 |
194 |
226 |
266 |
266 |
320 |
320 |
362 |
362 |
|
|
W |
118 |
128 |
145 |
190 |
210 |
210 |
255 |
255 |
285 |
285 |
|
|
L |
514 |
562 |
609 |
619 |
674 |
714 |
769 |
814 |
839 |
879 |
|
|
Q |
245 |
293 |
340 |
350 |
405 |
445 |
500 |
545 |
570 |
610 |
|
RCXF87..型硬齒輪減速機安裝尺寸圖


|
|
YS80.. |
Y90.. |
Y100.. |
Y112M.. |
Y132S.. |
Y132M.. |
Y160M.. |
Y160L.. |
Y180M.. |
Y160L |
Y200 |
|
Y |
156 |
169 |
194 |
226 |
266 |
266 |
320 |
320 |
362 |
362 |
400 |
|
W |
118 | <TD vAlign=top
|
|
YS80.. |
Y90.. |
Y100.. |
Y112M.. |
Y132S.. |
Y132M.. |
Y160M.. |
Y160L.. |
Y180M.. |
Y160L |
Y200 |
|
Y |
156 |
169 |
194 |
226 |
266 |
266 |
320 |
320 |
362 |
362 |
400 |
|
W |
118 |
128 |
145 |
190 |
210 |
210 |
255 |
255 |
285 |
285 |
310 |
|
L |
563 |
612 |
655 |
666 |
721 |
761 |
816 |
861 |
886 |
926 |
991 |
|
Q |
247 |
296 |
339 |
350 |
405 |
445 |
500 |
545 |
570 |
610 |
675 |
RCXF97..型硬齒輪減速機安裝尺寸圖

|
|
YS80.. |
Y90.. |
Y100.. |
Y112M.. |
Y132S.. |
Y132M.. |
Y160M.. |
Y160L.. |
Y180M.. |
Y160L |
Y200 |
|
Y |
156 |
169 |
194 |
226 |
266 |
266 |
320 |
320 |
362 |
362 |
400 |
|
W |
118 |
128 |
145 |
190 |
210 |
210 |
255 |
255 |
285 |
285 |
310 |
|
L |
563 |
612 |
655 |
666 |
721 |
761 |
816 |
861 |
886 |
926 |
991 |
|
Q |
247 |
296 |
339 |
350 |
405 |
445 |
500 |
545 |
570 |
610 |
675 |
RCX107..型硬齒輪減速機安裝尺寸圖

|
|
Y100.. |
Y112M.. |
Y132S.. |
Y132M.. |
Y160M.. |
Y160L.. |
Y180M.. |
Y180L.. |
Y200.. |
Y225S.. |
Y225M.. |
|
Y |
194 |
226 |
266 |
266 |
320 |
320 |
362 |
362 |
400 |
452 |
452 |
|
W |
145 |
190 |
210 |
210 |
255 |
255 |
285 |
285 |
310 |
345 |
345 |
|
L |
702 |
714 |
769 |
809 |
864 |
909 |
934 |
974 |
1039 |
1054 |
1079 |
|
Q |
338 |
350 |
405 |
445 |
500 |
545 |
570 |
610 |
675 |
690 |
715 |
RCXF107..型硬齒輪減速機安裝尺寸圖

|
Y100.. |
Y112M.. |
Y132S.. |
Y132M.. |
Y160M.. |
Y160L.. |
Y180M.. |
Y180L.. |
Y200.. |
Y225S.. |
Y225M.. | |
|
Y |
194 |
226 |
266 |
266 |
320 |
320 |
362 |
362 |
400 |
452 |
452 |
|
W |
145 |
190 |
210 |
210 |
255 |
255 |
285 |
285 |
310 |
345 |
345 |
|
L |
702 |
714 |
769 |
809 |
864 |
909 |
934 |
974 |
1039 |
1054 |
1079 |
|
Q |
338 |
350 |
405 |
445 |
500 |
545 |
570 |
610 |
675 |
690 |
715 |
| 頁次:2/16 每頁10條 共153條信息 分頁:[1][2][3][4][5][6][7][8][9][10][>>][尾頁] |

