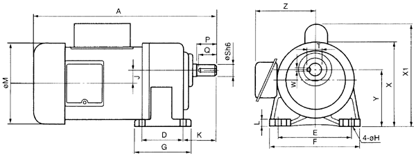
| 臺灣ZL、ZF小型齒輪減速電機單相臥式外形安裝尺寸

|
功率KW |
減速比 |
框號 |
A |
D |
E |
F |
G |
H |
L |
J |
K |
M |
X1 |
X |
Y |
Z |
出力軸端 |
重量
Kg |
|
P |
Q |
S |
T |
W |
|
0.1KW |
5~50 |
18 |
255 |
40 |
110 |
135 |
65 |
9 |
10 |
15.98 |
50 |
126 |
|
127 |
85 |
116 |
30 |
27 |
18 |
20 |
5 |
5.6 |
|
60~200 |
22 |
287 |
65 |
130 |
155 |
90 |
11 |
12 |
17.66 |
60 |
126 |
|
145 |
90 |
116 |
40 |
35 |
22 |
25 |
7 |
7.0 |
|
250~1800 |
22 |
357 |
65 |
130 |
155 |
90 |
11 |
12 |
17.66 |
60 |
126 |
|
145 |
90 |
116 |
40 |
35 |
22 |
25 |
7 |
8.9 |
|
250~1800 |
28 |
385 |
90 |
140 |
170 |
120 |
11 |
15 |
23.11 |
70 |
126 |
|
170 |
110 |
116 |
45 |
40 |
28 |
31 |
7 |
11.6 |
|
0.2KW |
5~10 |
18 |
290 |
40 |
110 |
135 |
65 |
9 |
10 |
15.98 |
50 |
126 |
|
127 |
85 |
116 |
30 |
27 |
18 |
20 |
5 |
6.4 |
|
12.5~25 |
18 |
290 |
40 |
110 |
135 |
65 |
9 |
10 |
15.98 |
50 |
126 |
|
127 |
85 |
116 |
30 |
27 |
18 |
20 |
5 |
6.4 |
|
12.5~90 |
22 |
320 |
65 |
130 |
155 |
90 |
11 |
12 |
17.66 |
60 |
126 |
|
145 |
90 |
116 |
40 |
35 |
22 |
25 |
7 |
7.9 |
|
100~200 |
28 |
352 |
90 |
140 |
170 |
120 |
11 |
15 |
23.11 |
70 |
126 |
|
170 |
110 |
116 |
45 |
40 |
28 |
31 |
7 |
10.3 |
|
250~1800 |
28 |
419 |
90 |
140 |
170 |
120 |
11 |
15 |
23.11 |
70 |
126 |
|
170 |
110 |
116 |
45 |
40 |
28 |
31 |
7 |
12.4 |
|
250~1800 |
32 |
469 |
130 |
170 |
210 |
160 |
13 |
18 |
30.22 |
70 |
126 |
|
210 |
138.5 |
116 |
55 |
50 |
32 |
36.5 |
10 |
24.6 |
|
0.4KW |
5~10 |
22 |
350 |
65 |
130 |
155 |
90 |
11 |
12 |
17.66 |
60 |
160 |
195 |
145 |
90 |
131 |
40 |
35 |
22 |
25 |
7 |
12.6 |
|
12.5~25 |
22 |
350 |
65 |
130 |
155 |
90 |
11 |
12 |
17.66 |
60 |
160 |
195 |
145 |
90 |
131 |
40 |
35 |
22 |
25 |
7 |
12.6 |
|
12.5~90 |
28 |
380 |
90 |
140 |
170 |
120 |
11 |
15 |
23.11 |
70 |
160 |
210 |
170 |
110 |
131 |
45 |
40 |
28 |
31 |
7 |
15.0 |
|
100~200 |
32 |
415 |
130 |
170 |
210 |
160 |
13 |
18 |
30.22 |
70 |
160 |
222 |
210 |
138.5 |
131 |
55 |
50 |
32 |
36.5 |
10 |
27.2 |
|
250~1800 |
32 |
496 |
130 |
170 |
210 |
160 |
13 |
18 |
30.22 |
70 |
160 |
|
210 |
138.5 |
131 |
55 |
50 |
32 |
36.5 |
10 |
29.6 |
|
250~1800 |
40 |
569 |
150 |
210 |
265 |
200 |
15 |
23 |
37.96 |
84 |
160 |
|
248 |
160 |
131 |
65 |
60 |
40 |
44.5 |
10 |
47.2 |
1、 紅色為輕扭力機型。
2、 40-50筒齒箱上附加O型吊環(huán)(高度約50mm)。 |