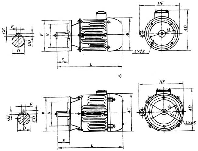
建筑卷揚機(JK型)用的形轉(zhuǎn)子電動機外形及安裝尺寸

表5 (單位:mm)
|
型號 |
軸伸鍵槽 |
E |
P |
N |
M |
S |
AC |
AD |
L(工作時) |
HF |
L2 |
|
D |
GD |
GE |
F |
|
YEJ112M-4 |
28 |
7 |
4 |
8 |
60 |
250 |
180 |
215 |
15 |
272 |
307 |
423 |
315.6 |
|
|
YEJ132S-4 |
38 |
8 |
5 |
10 |
80 |
300 |
230 |
265 |
15 |
328 |
352.5 |
507 |
372 |
|
|
YEJ160S1-4 |
10D-35×28×4 |
- |
35 |
350 |
250 |
300 |
19 |
328 |
352.5 |
462 |
372 |
|
|
YEJ132M1-4 |
38 |
8 |
5 |
10 |
80 |
300 |
230 |
265 |
15 |
328 |
352.5 |
532 |
372 |
|
|
YEJ160M1-4 |
10D-35×28×4 |
- |
35 |
350 |
250 |
300 |
19 |
328 |
325.5 |
487 |
372 |
|
|
YEJ160S-4 |
42 |
8 |
5 |
12 |
110 |
350 |
250 |
300 |
19 |
396 |
428 |
610 |
436 |
432 |
|
YEJ160M-4 |
42 |
8 |
5 |
12 |
110 |
350 |
250 |
300 |
19 |
396 |
432 |
643 |
430 |
432 |
|
YEJ160L-4 |
42 |
8 |
5 |
12 |
110 |
350 |
250 |
300 |
19 |
396 |
432 |
643 |
430 |
432 |
|
YEJ180M-4 |
48 |
8 |
5.5 |
14 |
110 |
350 |
250 |
300 |
19 |
396 |
432 |
671 |
451.5 |
432 |
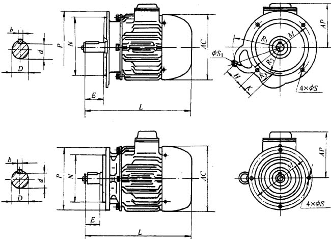
混凝土攪拌機(JZ型)用的系列錐形轉(zhuǎn)子電動機外形及安裝尺寸

|
型號 |
D |
d |
b |
E |
p |
N |
M |
S |
AC |
AP |
L(工作時) |
R1 |
R2 |
R3 |
H |
K |
S1 |
|
YEJ31-4 |
28 |
23.5 |
8 |
60 |
250 |
180 |
215 |
15 |
272 |
190 |
451 |
|
|
|
|
|
|
|
YEJ31-4 |
32
28
28
|
27
24
24 |
10
8
8 |
80
60
82
|
300
250
300 |
240
180
190 |
265
215
270 |
13
15
13
|
272 |
169 |
441
450
443.5
|
194 |
117 |
60 |
85.4 |
60 |
9 |
|
YEJ31-4 |
38 |
33 |
10 |
80 |
300 |
230 |
265 |
15 |
344 |
210 |
546 |
|
|
|
|
|
|